Смотреть все категории
| Основные характеристики | ||
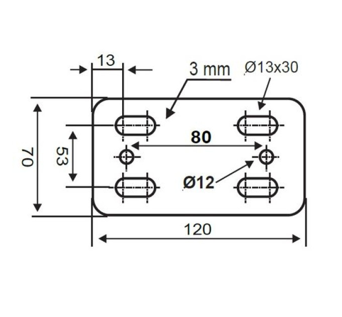
| Вид продукта | Станина потолочная | |
| Толщина, мм | 2.00 | |
| Длина, мм | 120 | |
| Ширина, мм | 51 | |
| Материал | сталь | |


